Меню Закрити

Опора BF15 для ШВП

368.00

Є в наявності

Артикул: 0776-014-05 Категорія:

Опис

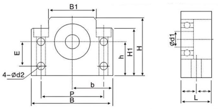
Підшипникова опора ходового гвинта серії BF є сталевим корпусом з монтажним отвором, який надійно захищає від пилу і бруду встановлені в нього радіальний підшипник. Розташування отворів передбачає універсальне кріплення – паралельно або перпендикулярно до монтажної площини.

У нас у продажу лише якісний продукт. Це перевірено не одним десятком покупців.

Нижче наведені таблиці з параметрами даних опор.

В опорах FF та BF встановлені радіальні підшипники.

В опорах BK і FK встановлені радіально-упорні підшипники.

Опора BF для ШВП, схема, розміри

Характеристики:

  • d1: 15 мм
  • L: 20 мм
  • B: 70 мм
  • H: 48 мм
  • b±0.02: 35 мм
  • h±0.02: 28 мм
  • B1: 40 мм
  • H1: 38 мм
  • E: 18 мм
  • P: 54 мм
  • d2: 5.5 мм
  • Діаметр наскрізного отвору, X: 6.6 мм
  • Діаметр центровки, Y: 11 мм
  • Глибина центровки, Z: 6.5 мм