Опис
- Драйвер крокового двигуна трифазний ZD-3HD660M (ПОСИЛАННЯ)
 - Драйвер крокового двигуна трифазний LeadShine 3DM580S (ПОСИЛАННЯ)
 - Драйвер крокового двигуна трифазний 3MC580 (ПОСИЛАННЯ)
 
Трифазні КД Times Brilliant мають більш рівномірний момент при обертанні та забезпечують більш плавне переміщення, порівняно з двофазними КД.
Крокові двигуни Times Brilliant відрізняються високою продуктивністю і надійністю, забезпечують більший крутний момент, менше нагрівання і стабільність в роботі, в порівнянні з аналогами, представленими на ринку. Це стало результатом застосування новітніх розробок Leadshine і японських комплектуючих.
Двигун Times Brilliant виконаний з високоякісного матеріалу і може рухатися плавно з дуже низьким рівнем шуму та нагрівання. Якщо використовувати його разом із драйвером (контролером) ZD-3HD660M, система позиціювання між двигуном і драйвером буде замкнута. Ви ніколи не отримаєте втрати кроків, що може відбуватися у крокових системах незамкнутого типу.
Швидкість реакції і відсутність пошуків нерівномірної роботи роблять двигун даного типу ідеальним для додатків з використанням механізмів з ремінним приводом механізмів низької жорсткості, де вібрація при зупинці двигуна буде не бажаною.
Технічні характеристики:
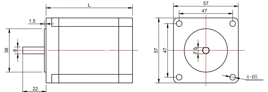
- Типорозмір: NEMA23
 - Модель: Times Brilliant 57HCY56AL3-TFA
 - Вид двигуна: кроковий (Stepper Motor)
 - Кількість фаз: 3
 - Номінальний струм фази: 5.8A
 - Крок: 1.2° (300 на оборот)
 - Опір фази: 0.7 Ом
 - Індуктивність фази: 2.4 мГн
 - Крутний момент: 0.9 Nm
 - Діаметр валу: 8 мм
 - Довжина валу: 20 мм
 - Довжина кабелів: 80 см
 - Робоча температура: -20°C…+50°C
 - Опір ізоляції: 100 МОм
 - Діелектрична міцність: 500 VAC протягом хвилини
 - Вага: 750 г
 - Довжина, L: 56 мм
 
							


							
							













